

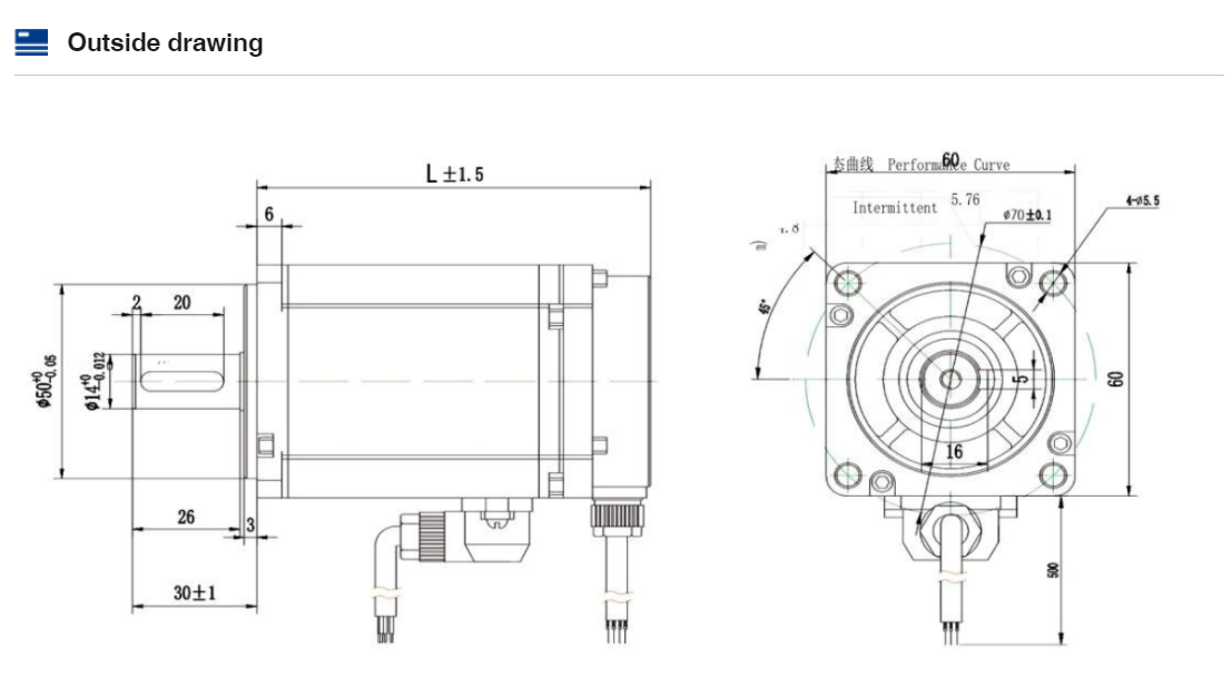
Performance Curve)


Contact:Ms. Zhu
Phone:+8618112331965
Scan QR Code via WeChat
WhatsApp




Performance Curve)


Power by sunzom|Brushless permanent magnet motor, DC brushless gear motor, DC brushless servo motor, brushless motor, stepper brake motor, DC brushless motor, servo motor